您好!欢迎来到上海潭兴企业有限公司官方网站!我司为台湾潭兴精工有限公司大陆分公司。



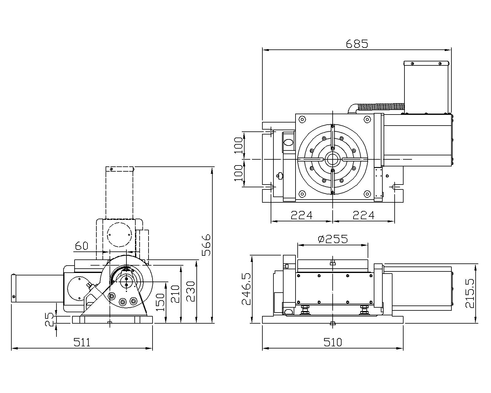
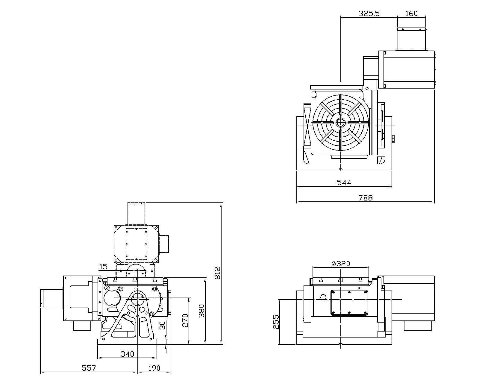
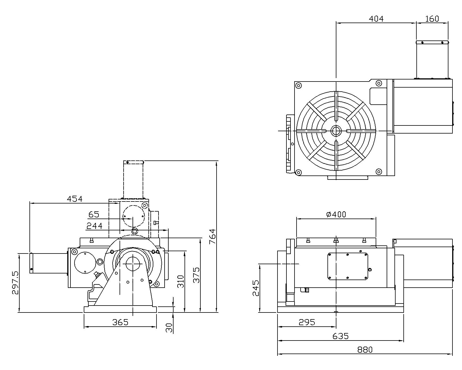
| 規格/型號 | 單位 | TMRNC-255 | TMRNC-320 | TMRNC-400 | |||||
|---|---|---|---|---|---|---|---|---|---|
| 旋台直徑 | mm | ?255 | ?320 | ?400 | |||||
| 工作台高度 | 水平時 | mm | 230 | 380 | 375 | ||||
| 中心高度 | 90° | mm | 210 | 270 | 310 | ||||
| 總高度 | 90° | mm | 565 | 811 | 764 | ||||
| 中心孔直徑 | mm | ?40H7 | ?40H7 | ?40H7 | |||||
| 貫穿孔徑 | mm | ?33 | ?40 | ?40 | |||||
| 工作台T型槽寬度 | mm | 12H7 | 14H7 | 14H7 | |||||
| 導塊寬度 | mm | 18h7 | 18h7 | 18h7 | |||||
| 傾斜角度 | deg. | 0°~105° | 0°~105° | 0°~105° | |||||
| 軸向 | 旋转轴 | 手动倾斜 | 旋转轴 | 手动倾斜 | 旋转轴 | 手动倾斜 | |||
| 小設定單位 | deg. | 0.001° | 1°(刻線) | 0.001° | 1°(刻線) | 0.001° | 1°(刻線) | ||
| 分度精度 | sec. | 15" | - | 15" | - | 15" | - | ||
| 重覆精度 | sec. | 4" | - | 4" | - | 4" | - | ||
| 伺服馬達 (廠牌可依需求指定) | FANUC | αiF 8 | 手動式 | αiF 12 | 手動式 | αiF 12 | 手動式 | ||
| MITSUBISHI | HF/HG-154S | HF/HG-204S | HF/HG-204S | ||||||
| SIEMENS | 1FK7063 | 1FK7083 | 1FK7083 | ||||||
| HEIDENHAIN | QSY116J | QSY155B | QSY155B | ||||||
| 總減速比 | 1/180 | - | 1/180 | - | 1/180 | - | |||
| 盤面更高轉速 | r.p.m | 22.2 | - | 16.6 | - | 16.6 | - | ||
| 容許旋轉扭矩 | N.m (kgf.m) | 470(48) | - | 764(78) | - | 1666(170) | - | ||
| 使用壓力(鎖緊方式) | kg/cm2 | 35 (Hyd.) | - | 35 (Hyd.) | - | 35 (Hyd.) | - | ||
| 夾緊扭矩 | N.m (kgf.m) | 490(50) | - | 833(85) | - | 1764(180) | - | ||
| 更大載重 | 0° (水平時) | kg | 150 | 200 | 300 | ||||
| 0°~90° (傾斜時) | kg | 80 | 130 | 150 | |||||
| 更大負荷 (轉盤夾緊時) | F軸向力 | N (kgf) | 13720 (1400) | 16660(1700) | 19600 (2000) | ||||
| FxL徑向力 | N.m (kgf.m) | 490 (50) | 833(85) | 1764 (180) | |||||
| FxL傾斜力矩 | N.m (kgf.m) | 833 (85) | 1078 (110) | 1764 (180) | |||||
| 容許負載慣性矩 | J=W.D2/8 | kg.m2 (kg.cm.sec2) | 1.2 (12.4) | 2.56 (26.1) | 6 (61.2) | ||||
| 旋台重量(不含伺服馬達) | kg | 130 | 230 | 330 | |||||
企业名称:
上海潭兴企业有限公司
公司电话:
021-59785163
公司地址:
上海市青浦区崧盈路1299号5号楼1楼
资料获?。?/span>
021-59785162-8003
扫码关注我们
Copyright@2021 备案号:沪ICP备19042082号 技术支持:应客网 sitemap.xml