您好!欢迎来到上海潭兴企业有限公司官方网站!我司为台湾潭兴精工有限公司大陆分公司。




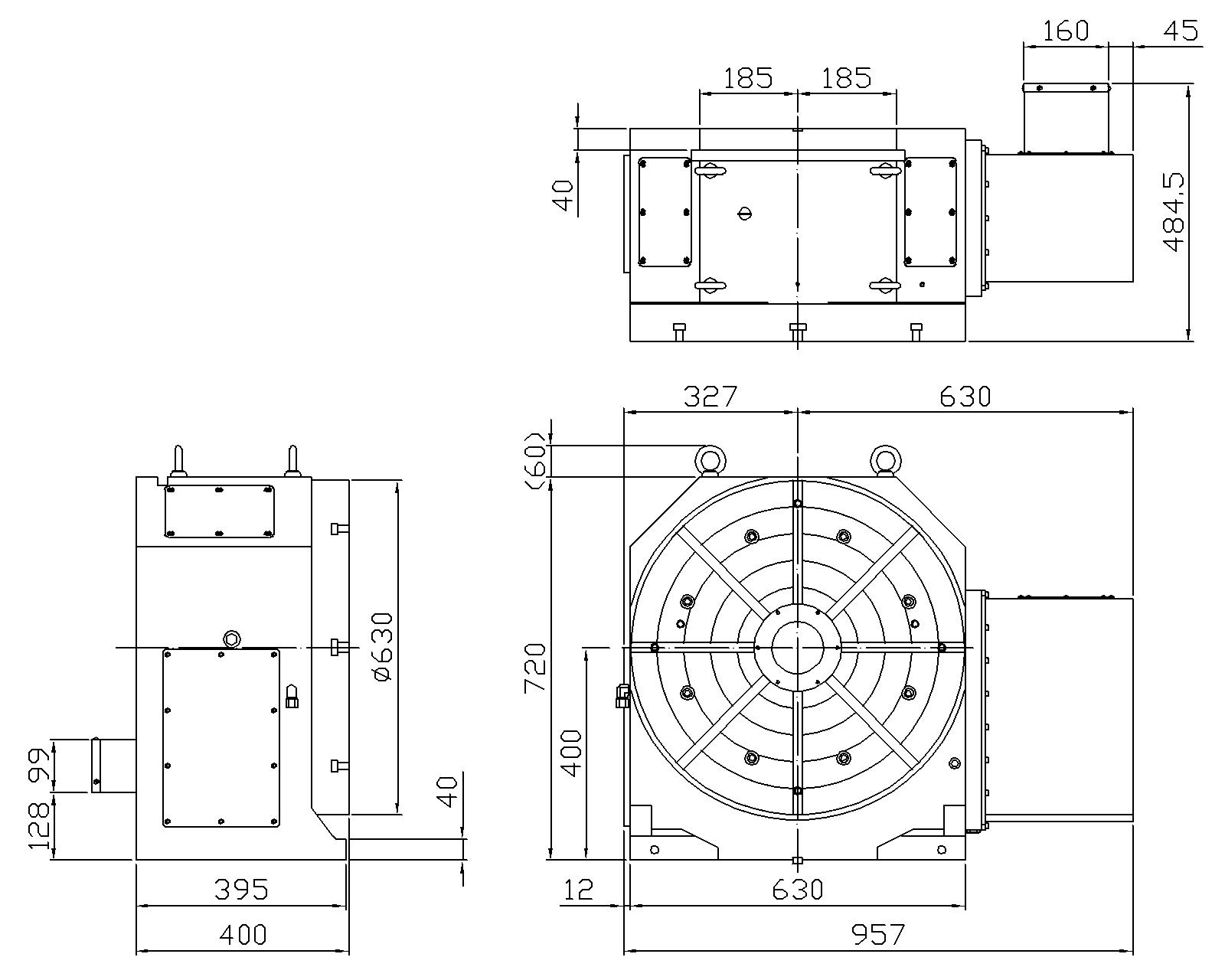
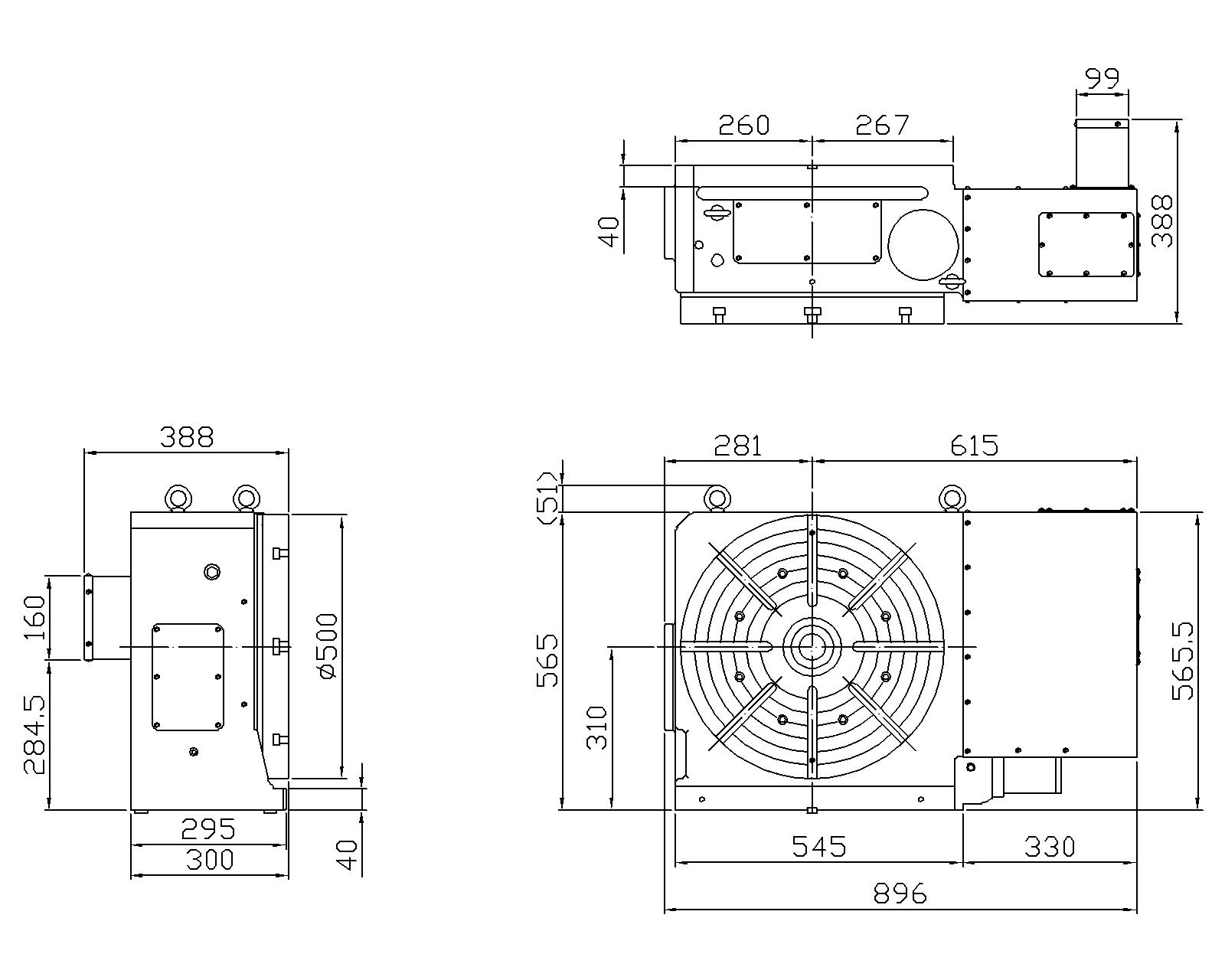
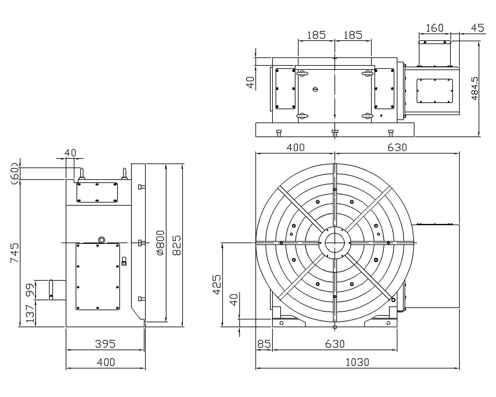
| 規格/型號 | 單位 | MRNC-500 | MRNC-63A | MRNC-800A | ||||
|---|---|---|---|---|---|---|---|---|
| 旋台直徑 | mm | ?500 | ?630 | ?800 | ||||
| 工作台高度 | 臥式位置 | mm | 300 | 400 | 400 | |||
| 中心高度 | 立式位置 | mm | 310 | 400 | 425 | |||
| 總高度 | mm | 565 | 720 | 825 | ||||
| 中心孔直徑 | mm | ?50H7 | ?100H7 | ?100H7 | ||||
| 貫穿孔徑 | mm | ?50 | ?100 | ?100 | ||||
| 工作台T型槽寬度 | mm | 18H7 | 18H7 | 18H7 | ||||
| 導塊寬度 | mm | 18h7 | 18h7 | 18h7 | ||||
| 最小設定單位 | deg. | 0.001° | 0.001° | 0.001° | ||||
| 分度精度 | sec. | 15" | 15" | 15" | ||||
| 重覆精度 | sec. | 4" | 4" | 4" | ||||
| 伺服馬達 (廠牌可依需求指定) | FANUC | αiF 12 | αiF 22 | αiF 22 ◆αiF30 | αiF 22 | αiF 22 ◆αiF 30 | ||
| MITSUBISHI | HF/HG-204S | HF/HG-354S | HF/HG-453S | HF/HG-354S | HF/HG-453S | |||
| SIEMENS | 1FK7083 | 1FK7101 | 1FK7103 | 1FK7101 | 1FK7103 | |||
| HEIDENHAIN | QSY155B | QSY155D | QSY190C | QSY155D | QSY190C | |||
| 總減速比 | 1/180 | 1/180 | 1/240 | 1/180 | 1/240 | |||
| 盤面更高轉速 | r.p.m | 16.6 | 11.1 | 8.3 | 11.1 | 8.3 | ||
| 容許旋轉扭矩 | N.m (kgf.m) | 2508(256) | 4410(450) | 4410(450) | ||||
| 使用壓力(鎖緊方式) | kg/cm2 | 35 (Hyd.) | 35 (Hyd.) | 35 (Hyd.) | ||||
| 夾緊扭矩 | N.m (kgf.m) | 2450(250) | 4410(450) | 4410(450) | ||||
| 容許工件載重 | 立式安裝時 | kg | 250 | 960 | 875 | |||
| 臥式安裝時 | kg | 600 | 2000 | 1800 | ||||
| 使用尾座時 | kg | 600 | 1920 | 1750 | ||||
| 容許切削負載力矩 (轉盤夾緊時) | F軸向力 | N (kgf) | 49000 (5000) | 55000 (5612) | 55000(5612) | |||
| FxL徑向力 | N.m (kgf.m) | 2450 (250) | 4410 (450) | 4410(450) | ||||
| FxL傾斜力矩 | N.m (kgf.m) | 3430 (350) | 16000 (1632) | 16000 (1632) | ||||
| 容許負載慣性矩 J=W.D2/8 | 立式安裝時 | kg.m2 (kg.cm.sec2) | 7.8 (79.7) | 50(490) | 80 (785) | |||
| 臥式安裝時 | kg.m2 (kg.cm.sec2) | 18.7 (191) | 99 (1012) | 144 (1469) | ||||
| 旋台重量(不含伺服馬達) | kg | 458 | 800 | 1200 | ||||
企业名称:
上海潭兴企业有限公司
公司电话:
021-59785163
公司地址:
上海市青浦区崧盈路1299号5号楼1楼
资料获取:
021-59785162-8003
扫码关注我们
Copyright@2021 备案号:沪ICP备19042082号 技术支持:应客网 sitemap.xml