您好!欢迎来到上海潭兴企业有限公司官方网站!我司为台湾潭兴精工有限公司大陆分公司。




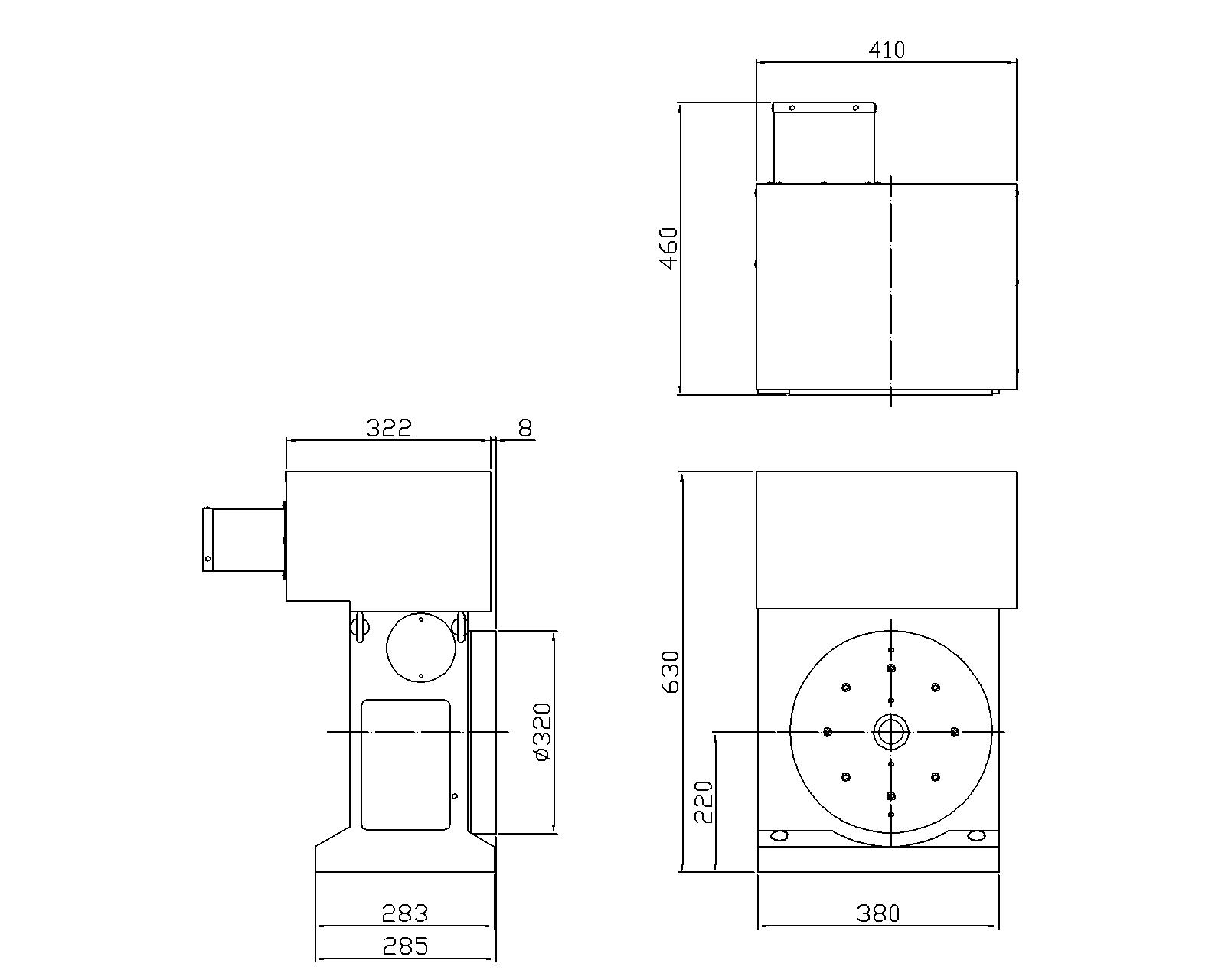
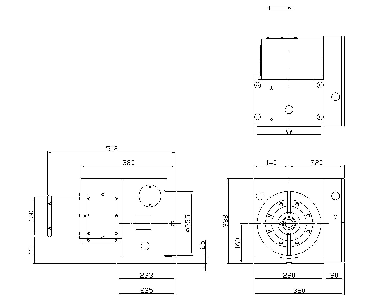
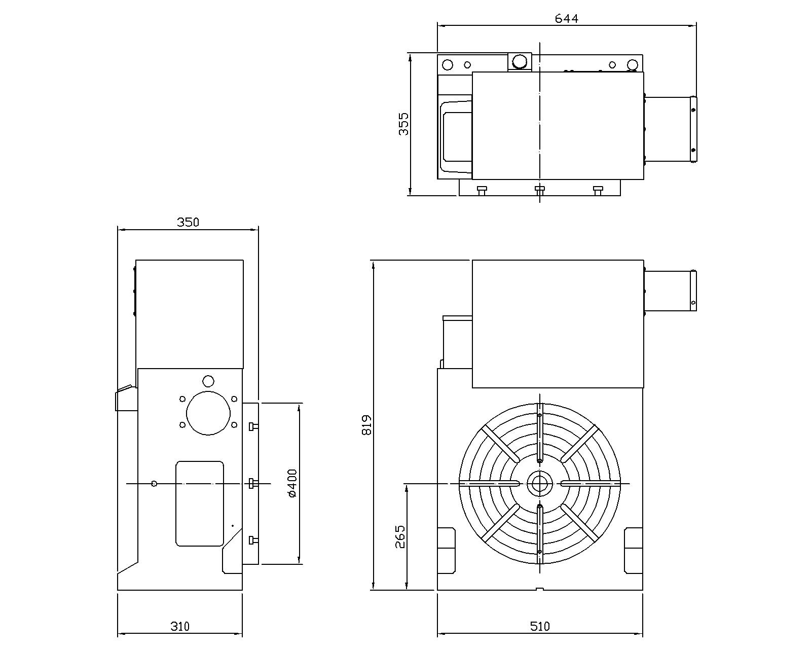
旋转台直径?255、?320、?400mm。
马达安装在背面或上面(立式使用)。
独特高齿深的复导程蜗杆传动。
全圆周油压锁紧系统。
| 規格/型號 | 單位 | MRNC-255-F | MRNC-255-T | MRNC-320-T | MRNC-400-T | ||
|---|---|---|---|---|---|---|---|
| 旋台直徑 | mm | ?255 | ?255 | ?320 | ?400 | ||
| 中心高度 | 立式位置 | mm | 160 | 170 | 220 | 265 | |
| 總高度 | mm | 338 | 595 | 630 | 820 | ||
| 中心孔直徑 | mm | ?40H7 | ?40H7 | ?40H7 | ?40H7 | ||
| 貫穿孔徑 | mm | ?33 | ?33 | ?40 | ?40 | ||
| 工作台T型槽寬度 | mm | 12H7 | - | - | 14H7 | ||
| 導塊寬度 | mm | 18h7 | - | - | 18h7 | ||
| 小設定單位 | deg. | 0.001° | 0.001° | 0.001° | 0.001° | ||
| 分度精度 | sec. | 20" | 15" | 15" | 15" | ||
| 重覆精度 | sec. | 4" | 4" | 4" | 4" | ||
| 伺服馬達 (廠牌可依需求指定) | FANUC | αiF 4 | αiF4 ◆αiF8 | αiF12 | αiF12 | ||
| MITSUBISHI | HF/HG-104S | HF/HG-104S ◆HF/HG-154S | HF/HG-204S | HF/HG-204S | |||
| SIEMENS | 1FK7063 | 1FK7063 | 1FK7083 | 1FK7083 | |||
| HEIDENHAIN | QSY116E | QSY116E | QSY155B | QSY155B | |||
| 總減速比 | 1/120 | 1/180 | 1/180 | 1/180 | |||
| 盤面更高轉速 | r.p.m | 33.3 | 16.6 | 16.6 | 16.6 | ||
| 容許旋轉扭矩 | N.m (kgf.m) | 568(58) | 568(58) | 784(80) | 1715(175) | ||
| 使用壓力(鎖緊方式) | kg/cm2 | 35 (Hyd.) | 35 (Hyd.) | 35 (Hyd.) | 35 (Hyd.) | ||
| 夾緊扭矩 | N.m (kgf.m) | 490(50) | 490(50) | 833(85) | 1764(180) | ||
| 容許工件載重 | 立式安裝時 | kg | 100 | 100 | 150 | 200 | |
| 使用尾座時 | kg | 250 | 250 | 350 | 500 | ||
| 容許切削負載力矩 (轉盤夾緊時) | F軸向力 | N (kgf) | 19600(2000) | 19600(2000) | 29400(3000) | 39200(4000) | |
| FxL徑向力 | N.m (kgf.m) | 490(50) | 490(50) | 833(85) | 1764(180) | ||
| FxL傾斜力矩 | N.m (kgf.m) | 931(95) | 980(100) | 3626(370) | 5880(600) | ||
| 容許負載慣性矩 | J=W.D2/8 | kg.m2 (kg.cm.sec2) | 2.03(20.7) | 2.44(24.9) | 4.48(45.7) | 10(102) | |
| 旋台重量(不含伺服馬達) | kg | 128 | 125 | 240 | 392 | ||
企业名称:
上海潭兴企业有限公司
公司电话:
021-59785163
公司地址:
上海市青浦区崧盈路1299号5号楼1楼
资料获?。?/span>
021-59785162-8003
扫码关注我们
Copyright@2021 备案号:沪ICP备19042082号 技术支持:应客网 sitemap.xml