您好!欢迎来到上海潭兴企业有限公司官方网站!我司为台湾潭兴精工有限公司大陆分公司。






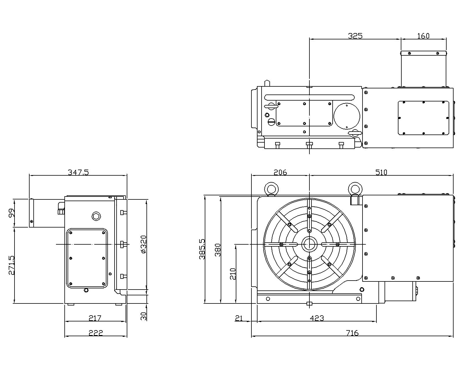
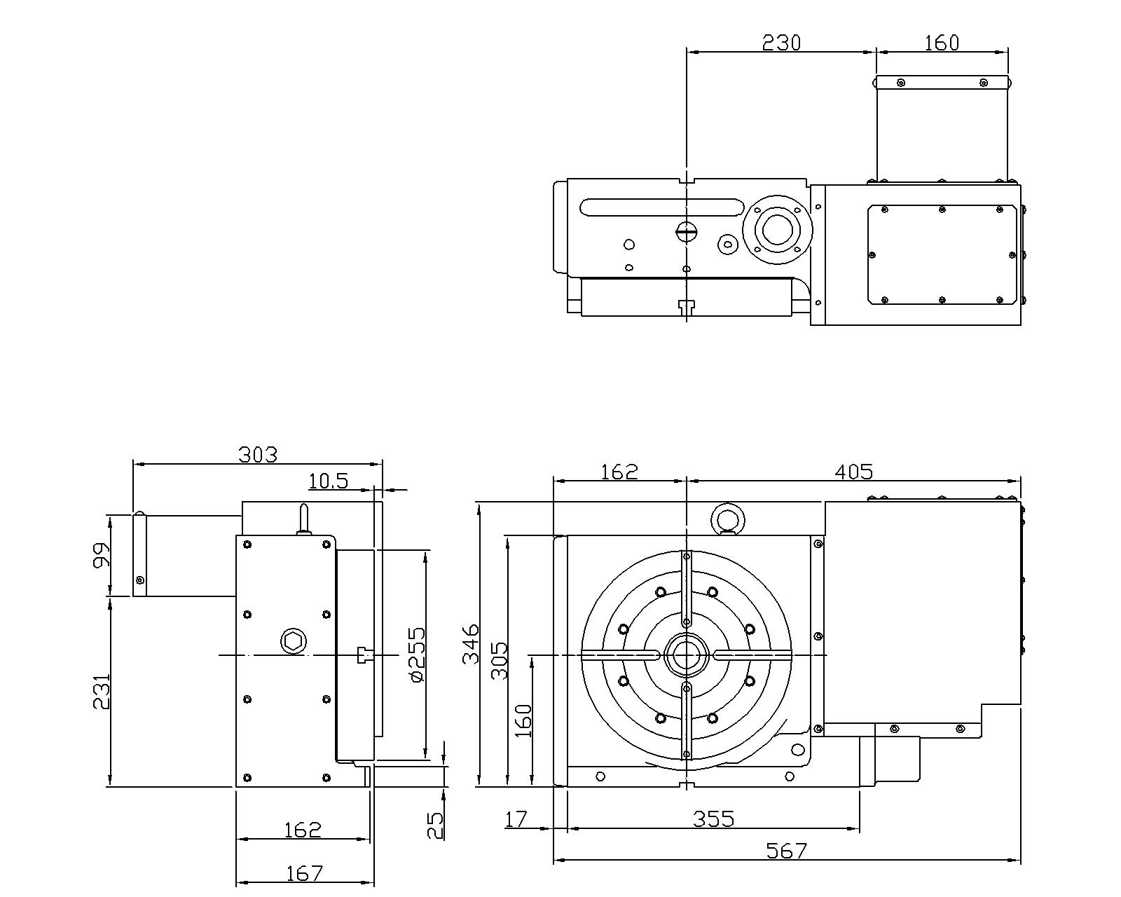
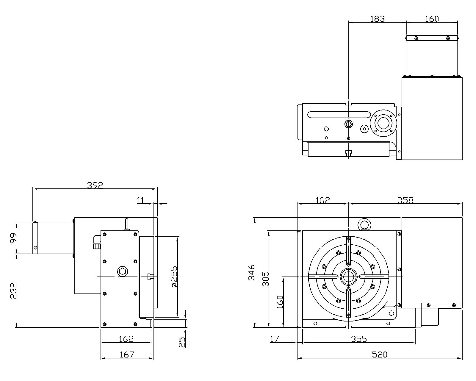
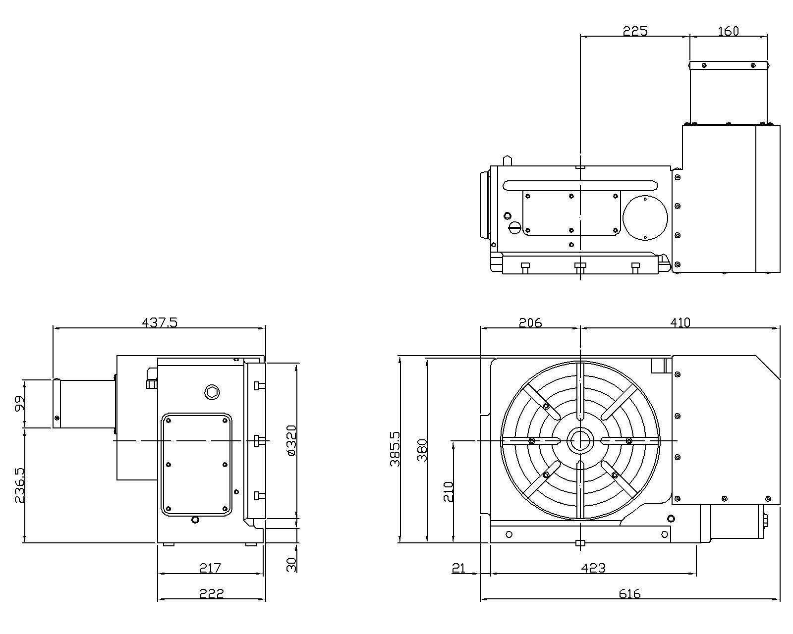
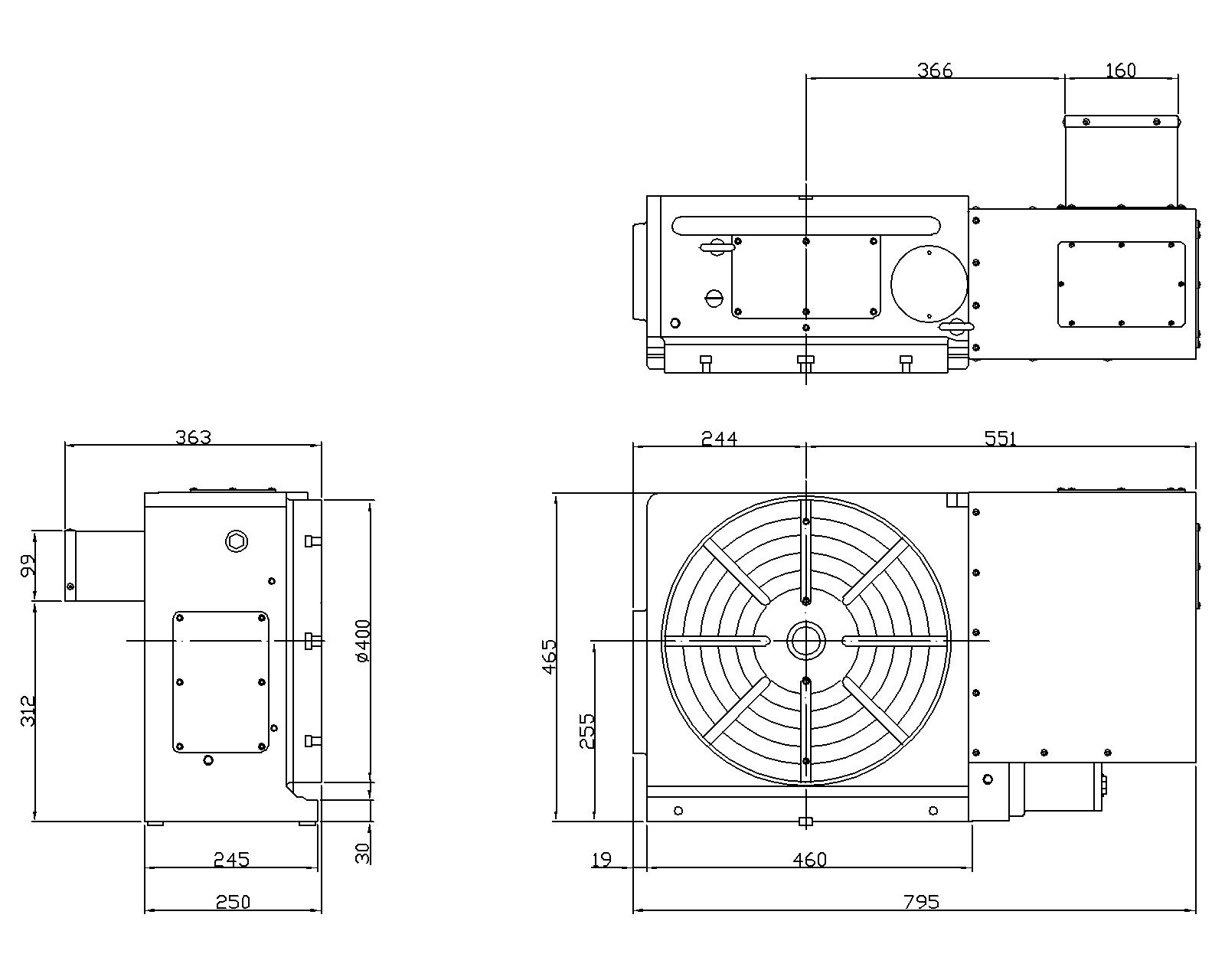
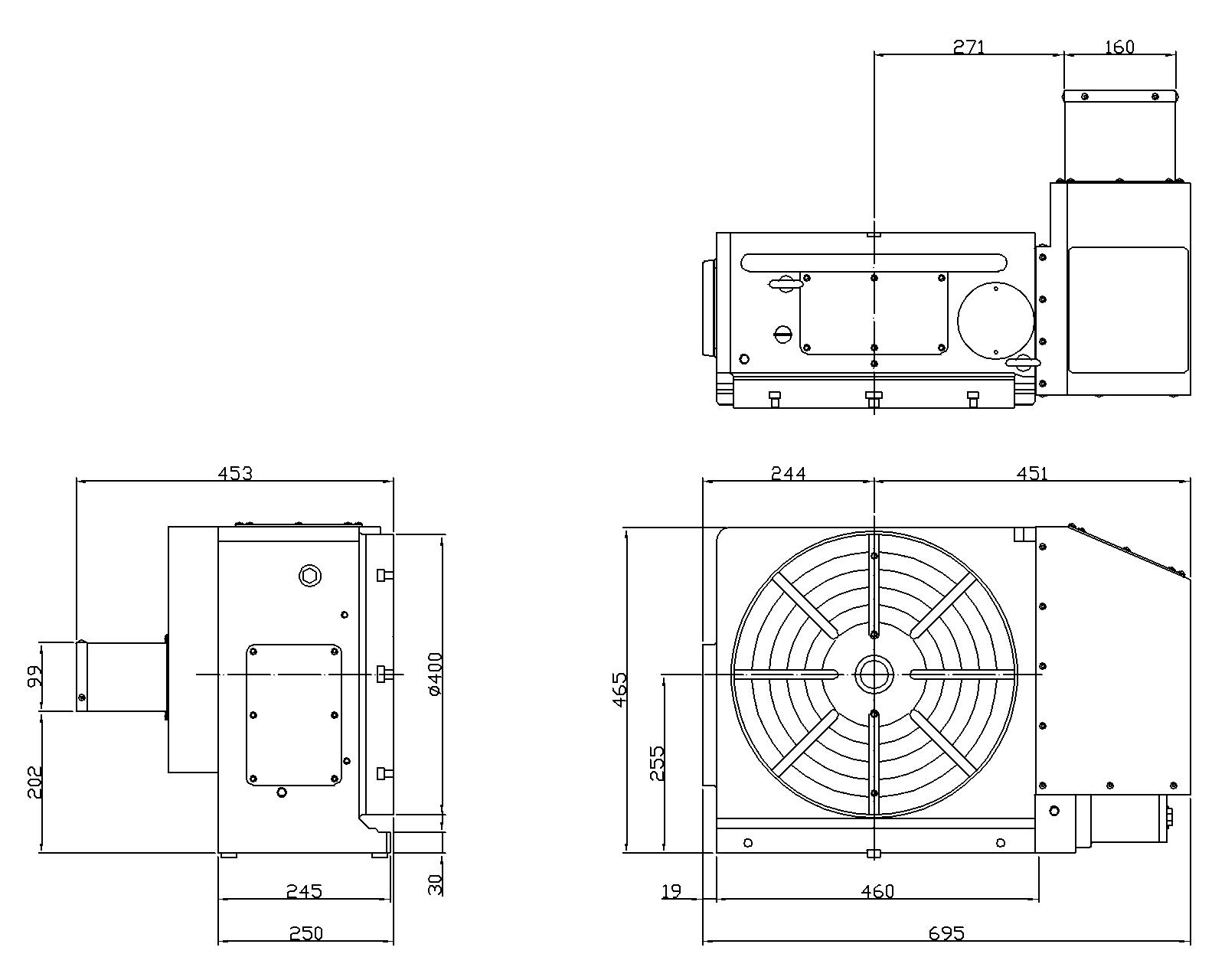
旋转台直径?255、?320、?400mm。
马达安装在右边(立、卧两用)。
独特高齿深的复导程蜗杆传动。
全圆周油压锁紧系统。
| 規格/型號 | 單位 | MRNC-255/255-N | MRNC-320/320-N | MRNC-400/400-N | ||
|---|---|---|---|---|---|---|
| 旋台直徑 | mm | ?255 | ?320 | ?400 | ||
| 工作台高度 | 臥式位置 | mm | 167 | 222 | 250 | |
| 中心高度 | 立式位置 | mm | 160 | 210 | 255 | |
| 總高度 | mm | 350 | 385 | 465 | ||
| 中心孔直徑 | mm | ?40H7 | ?40H7 | ?40H7 | ||
| 貫穿孔徑 | mm | ?33 | ?40 | ?40 | ||
| 工作台T型槽寬度 | mm | 12H7 | 14H7 | 14H7 | ||
| 導塊寬度 | mm | 18h7 | 18h7 | 18h7 | ||
| 小設定單位 | deg. | 0.001° | 0.001° | 0.001° | ||
| 分度精度 | sec. | 15" | 15" | 15" | ||
| 重覆精度 | sec. | 4" | 4" | 4" | ||
| 伺服馬達 (廠牌可依需求指定) | FANUC | αiF4 ◆αiF8 | αiF12 | αiF12 | ||
| MITSUBISHI | HF/HG-104S ◆HF/HG-154S | HF/HG-204S | HF/HG-204S | |||
| SIEMENS | 1FK7063 | 1FK7083 | 1FK7083 | |||
| HEIDENHAIN | QSY116E | QSY155B | QSY155B | |||
| 總減速比 | 1/180 | 1/180 | 1/180 | |||
| 盤面更高轉速 | r.p.m | 16.6 | 16.6 | 16.6 | ||
| 容許旋轉扭矩 | N.m (kgf.m) | 568(58) | 784(80) | 1715(175) | ||
| 使用壓力(鎖緊方式) | kg/cm2 | 35 (Hyd.) | 35 (Hyd.) | 35 (Hyd.) | ||
| 夾緊扭矩 | N.m (kgf.m) | 490(50) | 833(85) | 1764(180) | ||
| 容許工件載重 | 立式安裝時 | kg | 100 | 150 | 200 | |
| 臥式安裝時 | kg | 250 | 350 | 500 | ||
| 使用尾座時 | kg | 250 | 350 | 500 | ||
| 容許切削負載力矩 (轉盤夾緊時) | F軸向力 | N (kgf) | 19600 (2000) | 29400 (3000) | 39200 (4000) | |
| FxL徑向力 | N.m (kgf.m) | 490 (50) | 833 (85) | 1764 (180) | ||
| FxL傾斜力矩 | N.m (kgf.m) | 931 (95) | 1568 (160) | 2450 (250) | ||
| 容許負載慣性矩 | J=W.D2/8 | kg.m2 (kg.cm.sec2) | 2.03 (20.74) | 4.48 (45.7) | 10 (102) | |
| 旋台重量(不含伺服馬達) | kg | 93 | 174 | 262 | ||
| 外型尺寸圖 | | |||||
企业名称:
上海潭兴企业有限公司
公司电话:
021-59785163
公司地址:
上海市青浦区崧盈路1299号5号楼1楼
资料获取:
021-59785162-8003
扫码关注我们
Copyright@2021 备案号:沪ICP备19042082号 技术支持:应客网 sitemap.xml