您好!欢迎来到上海潭兴企业有限公司官方网站!我司为台湾潭兴精工有限公司大陆分公司。




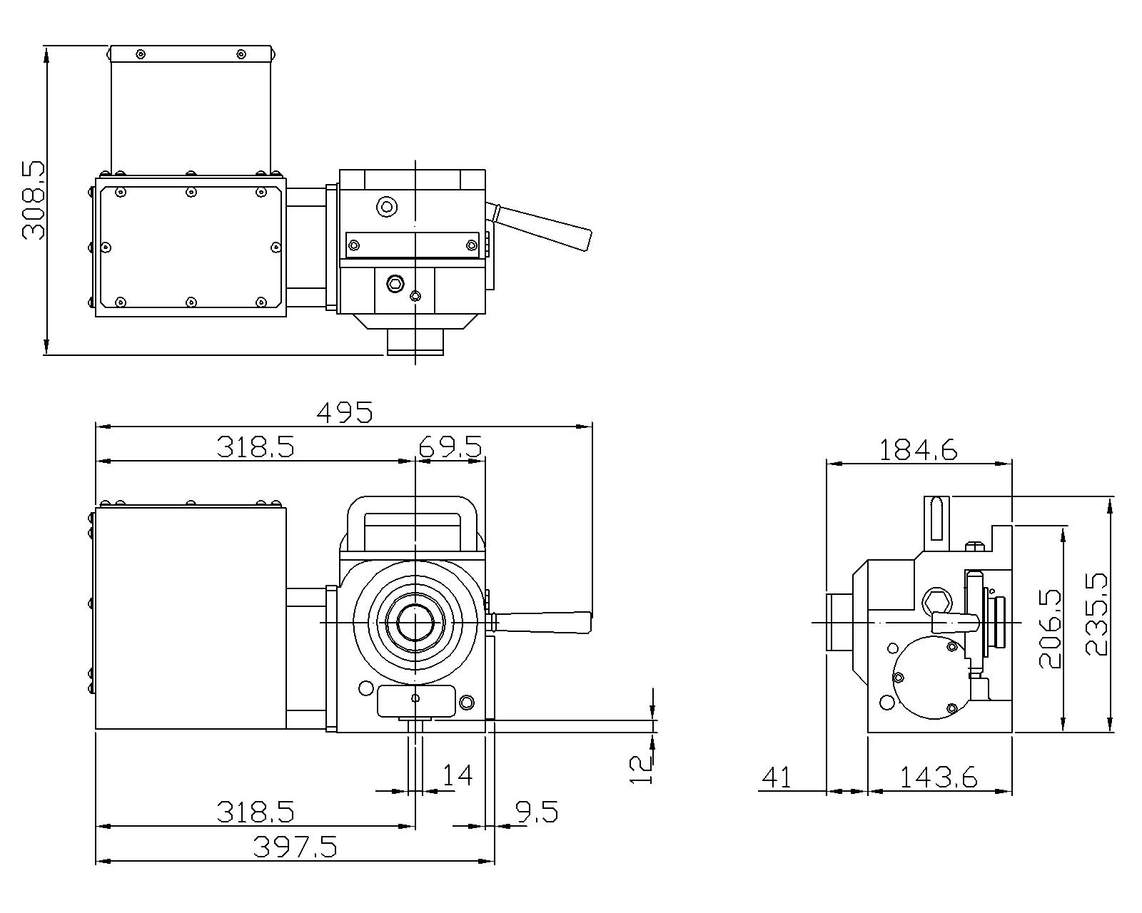
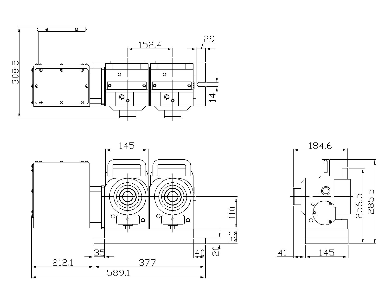
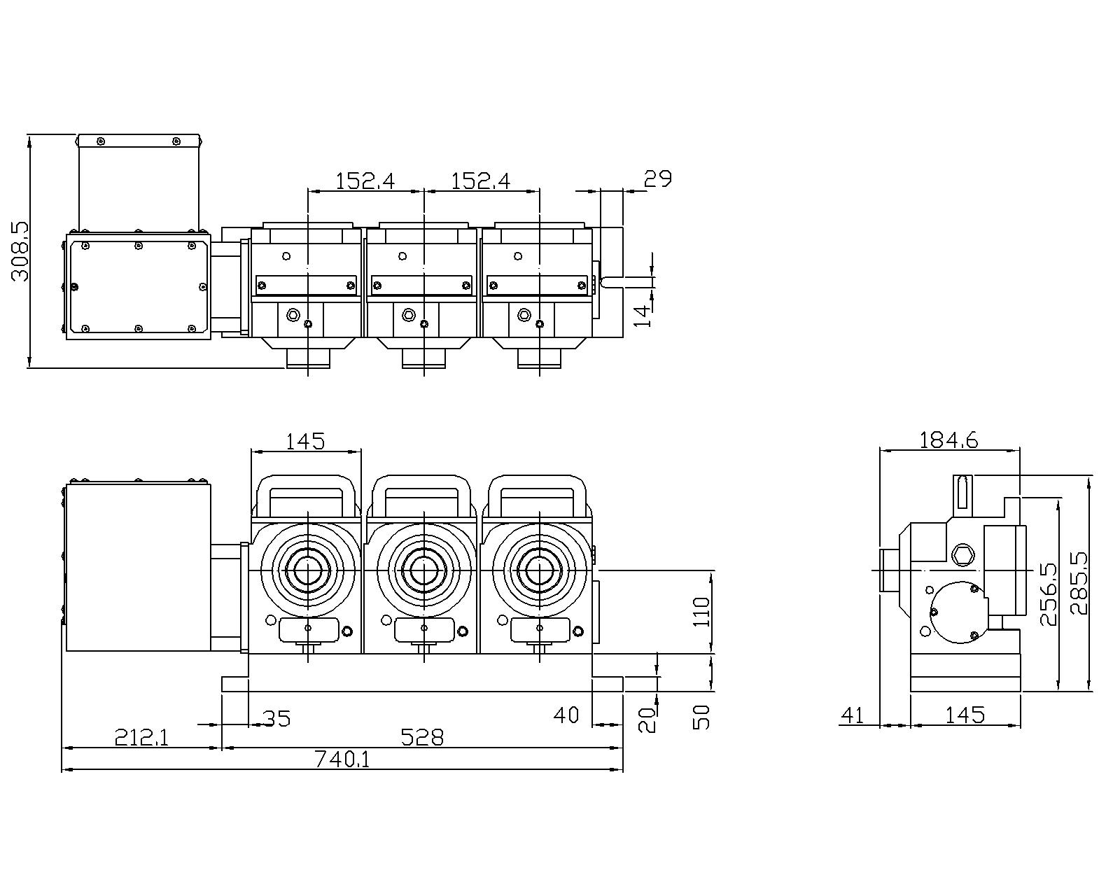
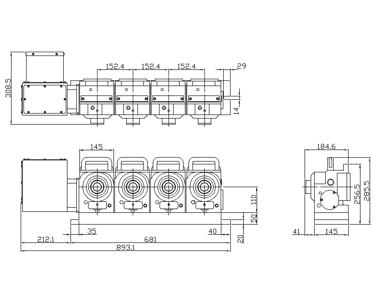
| 规格/型号 | 單位 | RNC-50 | RNC-100 | RNC-A115C | ||
|---|---|---|---|---|---|---|
| 旋台直径 | mm | ?48 | ?100 | - | ||
| 工作台高度 | 臥式位置 | mm | 83 | 137 | - | |
| 中心高度 | 立式位置 | mm | 80 | 110 | 110 | |
| 中心孔直徑 | mm | ?20H7 Dep.10 | ?25H7 Dep.16 | - | ||
| 工作台T型槽宽度 | mm | - | 10H7 | - | ||
| 筒夾 | - | - | 標準5C (更大夾徑26mm) | |||
| 导轨宽度 | mm | 12h7 | 14h7 | 14h7 | ||
| 涡轮齿數 | 48 | 72 | 48 | |||
| 小设定单位 | deg. | 0.001° | 0.001° | 0.001° | ||
| 分度精度 | sec. | Max. 60" | Max. 60" | ±30" | ||
| 重覆精度 | sec. | 4" | 4" | - | ||
| 伺服馬達 (廠牌可依需求指定) | FANUC | βiS 1 / 400w | αiF 1 / 500w | αiF 2 / 750w | ||
| MITSUBISHI | - | - | HF/HG-75S / 750w | |||
| SIEMENS | 1FK7042 | 1FK7042 | 1FK7042 | |||
| HEIDENHAIN | QSY-96A | QSY-96A | QSY-96A | |||
| 總減速比 | 1/48 | 1/48 | 1/48 | |||
| 盤面更高轉速 | r.p.m | 62.5 | 62.5 | 41.6 | ||
| 容許旋轉扭矩 | N.m (kgf.m) | 40(4.08) | 80(8.2) | 40(4.08) | ||
| 使用壓力(鎖緊方式) | kg/cm2 | - | 標準無/選配5(氣壓) | - | ||
| 夾緊扭矩 | N.m (kgf.m) | - | 標準無/選配80(8.2) | - | ||
| 容許工件載重 | 立式安裝時 | kg | 25 | 50 | 25 | |
| 臥式安裝時 | kg | 50 | 100 | - | ||
| 使用尾座時 | kg | 50 | 100 | 50 | ||
| 容許切削負載力矩 (转盘夹紧时) | F軸向力 | N (kgf) | 2940(300) | 5880(600) | 2940(300) | |
| FxL徑向力 | N.m (kgf.m) | 40(4.08) | 80(8.2) | 40(4.08) | ||
| FxL傾斜力矩 | N.m (kgf.m) | 78(7.95) | 156(15.9) | 78(7.95) | ||
| 容許負載慣性矩 | J=W.D2/8 | kg.m2 (kg.cm.sec2) | 0.02 (0.16) | 0.13 (1.28) | 0.01 (0.08) | |
| 旋台重量(不含伺服馬達) | kg | 20 | 25 | 24(手動) | ||
企业名称:
上海潭兴企业有限公司
公司电话:
021-59785163
公司地址:
上海市青浦区崧盈路1299号5号楼1楼
资料获取:
021-59785162-8003
扫码关注我们
Copyright@2021 备案号:沪ICP备19042082号 技术支持:应客网 sitemap.xml