您好!欢迎来到上海潭兴企业有限公司官方网站!我司为台湾潭兴精工有限公司大陆分公司。




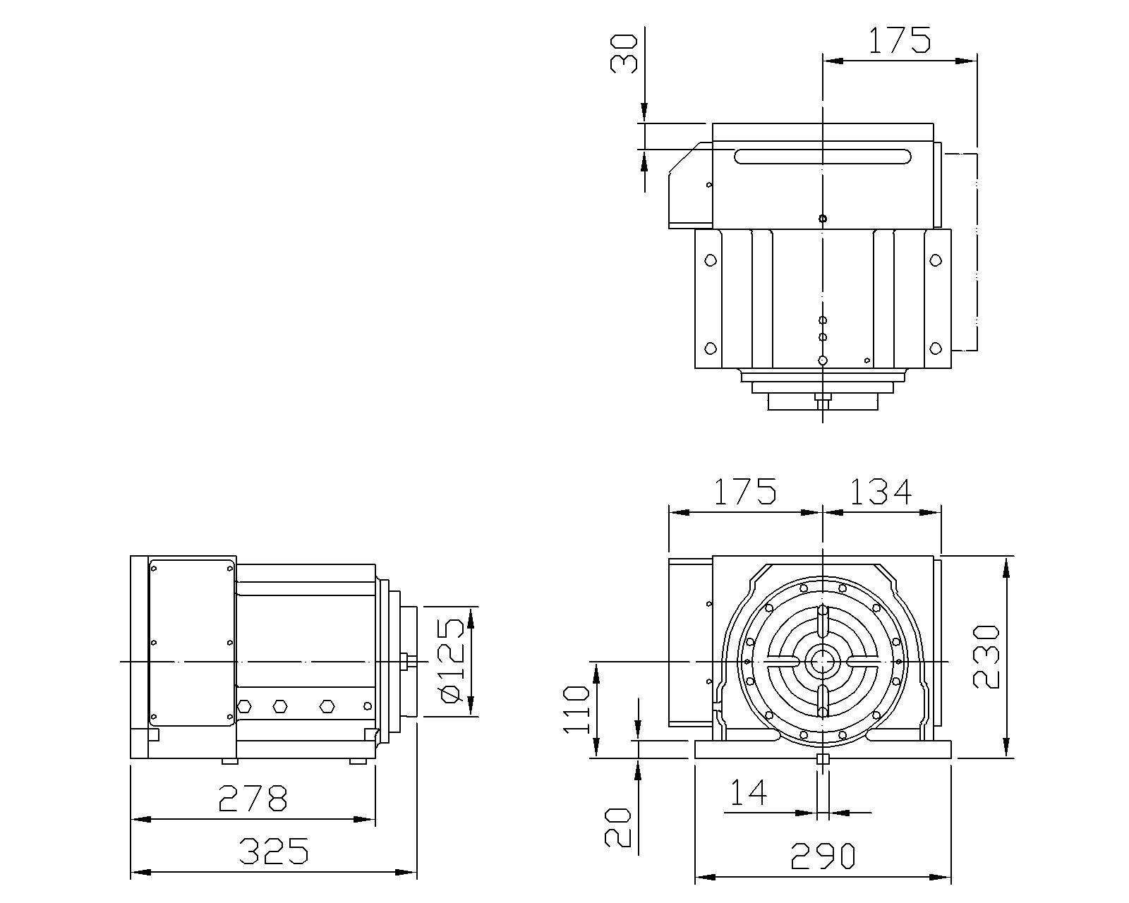
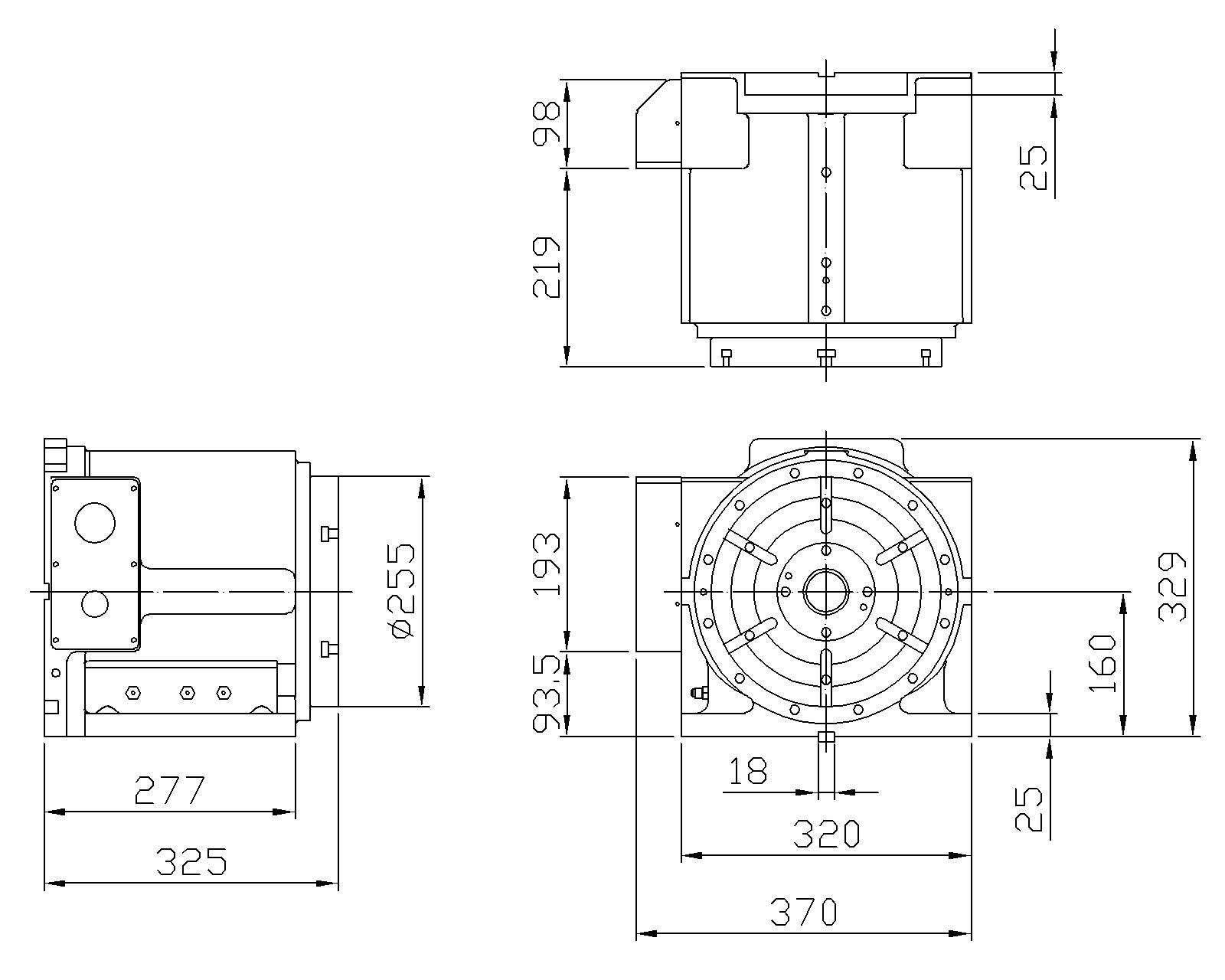
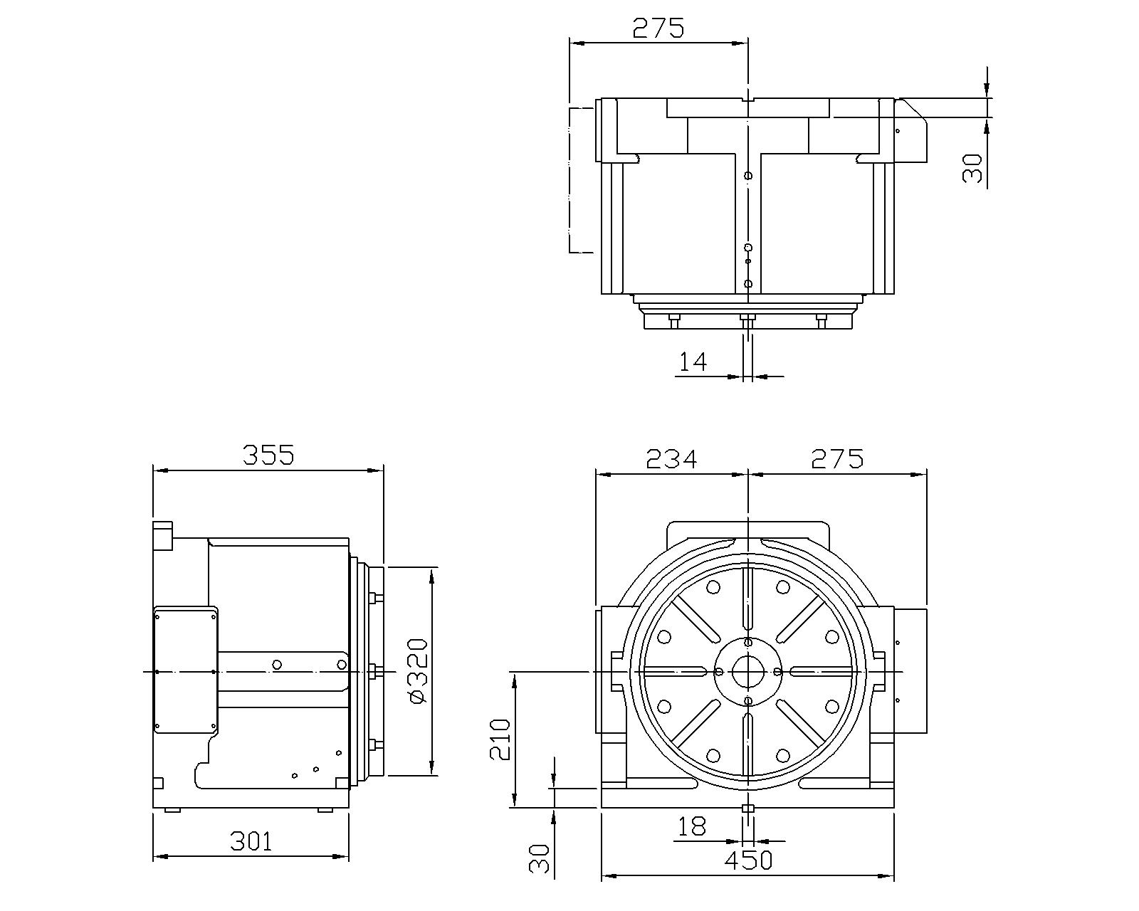
| 直驱转台规格/型号 | 单位 | DRT-125 | DRT-255A | DRT-320 | DRT-400 | ||
|---|---|---|---|---|---|---|---|
| 旋台直径 | mm | ?125 | ?255 | ?320 | ?400 | ||
| 工作台高度 | 臥式水平位置 | mm | 325 | 325 | 355 | 385 | |
| 中心高度 | mm | 110 | 160 | 210 | 255 | ||
| 总高度 | 立式垂直位置 | mm | 230 | 329 | 440 | 485 | |
| 中心孔直径 | mm | ?25H7 | ?50H7 | ?50H7 | ?50H7 | ||
| 工作台T型槽宽度 | mm | 12H7 | 12H7 | 14H7 | 14H7 | ||
| 导块宽度 | mm | 14h7 | 18h7 | 18h7 | 18h7 | ||
| 小设定单位 | deg. | 0.001° | 0.001° | 0.001° | 0.001° | ||
| 分度精度 (1※) | sec. | 1※ | 1※ | 1※ | 1※ | ||
| 重覆精度 (1※) | sec. | 1※ | 1※ | 1※ | 1※ | ||
| 总减速比 | 1/1 | 1/1 | 1/1 | 1/1 | |||
| 使用压力 (锁紧方式) | kg/cm2 | 35 (Hyd.) | 35 (Hyd.) | 35 (Hyd.) | 35 (Hyd.) | ||
| 夹紧扭矩 | N.m (kgf.m) | 323(33) | 833(85) | 1764(180) | 1764(180) | ||
| ETEL直驱扭力马达 (用於海德汉或西門子控制器) | ETEL(VDC600) | TMB+0140-070-RA (马达惯量0.00236) | TMB+0210-070-RA (马达惯量0.0214) | TMB+0291-070-SA (马达惯量0.0567) | TMB+0291-100-UA (马达惯量0.0804) | ||
| 更大扭矩 | Nm | 92.6 | 318 | 608 | 869 | ||
| 连续扭矩 | Nm | 55.4 | 176 | 356 | 529 | ||
| 容许负载惯性矩 J=W.D2/8 | kg.m2 | 0.07 | 0.64 | 1.7 | 2.41 | ||
| 容许盘面更高转速(2※) | r.p.m | 350 | 185 | 135 | 130 | ||
| HEIDENHAIN光学尺(1※) | ECA4412 RCN2310/2380(±5Sec.) RCN2510/2580(±2.5Sec.) | ||||||
| 容许工件载重 (用於海德汉或西門子控制器) | 立式安裝时 | kg | 25 | 55 | 100 | 100 | |
| 臥式安裝时 | kg | 37 | 80 | 150 | 120 | ||
| 使用尾座时 | kg | 37 | 80 | 150 | 120 | ||
| FANUC直驱扭力马达 (用於FANUC控制器) | FANUC(220V) | DiS 60/400-B | DiS 150/300-B | DiS 300/300-B | DiS 500/250-B | ||
| 扭矩 | Nm | 130 | 380 | 600 | 1200 | ||
| 连续扭矩 | Nm | 65 | 185 | 270 | 550 | ||
| 容许负载惯性矩 J=W.D2/8 | kg.m2 | 0.21 | 0.99 | 2.94 | 5.1 | ||
| 容许盘面更高转速(2※) | r.p.m | 200 | 150 | 125 | 125 | ||
| FANUC光学尺(1※) | αiCZSensor512A (±4Sec.) | αiCZSensor512A (±4Sec.) | αiCZSensor768A (±3Sec.) | αiCZSensor768 (±3Sec.) | |||
| 容许工件载重 (用於FANUC控制器) | 立式安裝时 | kg | 75 | 84 | 153 | 170 | |
| 臥式安裝时 | kg | 110 | 122 | 230 | 255 | ||
| 使用尾座时 | kg | 110 | 122 | 230 | 255 | ||
| 容许切削负载力矩 (转盘夹紧时) | F轴向力 | N (kgf) | 9800 (1000) | 25000 (2551) | 30000 (3061) | 35000 (3571) | |
| FxL径向力 | N.m (kgf.m) | 323 (33) | 833 (85) | 1764 (180) | 1764 (180) | ||
| FxL傾斜力矩 | N.m (kgf.m) | 441 (45) | 3200 (326) | 4000 (408) | 5000 (510) | ||
| 旋台重量(含马达) | kg | 65 | 140 | 200 | 320 | ||
企业名称:
上海潭兴企业有限公司
公司电话:
021-59785163
公司地址:
上海市青浦区崧盈路1299号5号楼1楼
资料获取:
021-59785162-8003
扫码关注我们
Copyright@2021 备案号:沪ICP备19042082号 技术支持:应客网 sitemap.xml